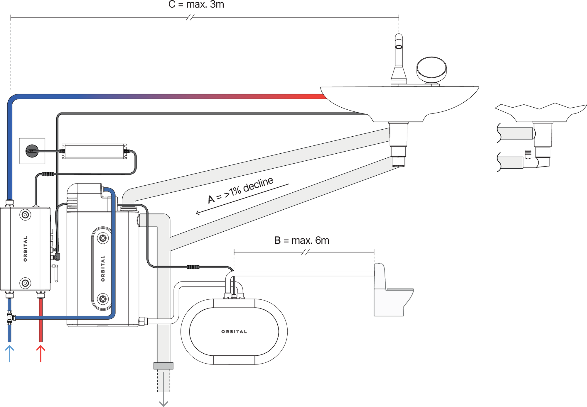
[en] Installation requirements

[en] A. The bottom valve outlet must be placed higher than the inlet on the Tank (minimum 1% decline).
[en] B. The Pump needs to be placed within 6 m from the toilet cistern. The cable between the Pump and the Tank is 1 m (extension cords available on request). The Pump must not be placed higher than the Tank.
[en] C. The faucet and Mixer can be placed at a maximum distance of 3 meters. For optimal performance, it is recommended to install the Mixer directly below the sink. Increased distance will delay temperature changes.